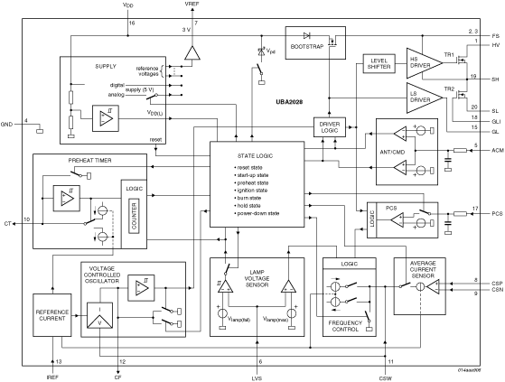
用于紧凑型荧光灯的600 V可调光功率IC

  • 本页面包含有关样品阶段产品的信息。此处的规格和信息如有更改,恕不另行通知。如需了解其他信息,请联系支持人员或您的销售代表。

滚动图片以放大

购买/参数










































































































文档

快速参考恩智浦 文档类别

7 文件

紧凑列表

包装信息 (1)
封装信息 (1)
应用笔记 (1)
支持信息 (1)
数据手册 (1)
用户指南 (2)

设计文件

支持

您需要什么帮助?