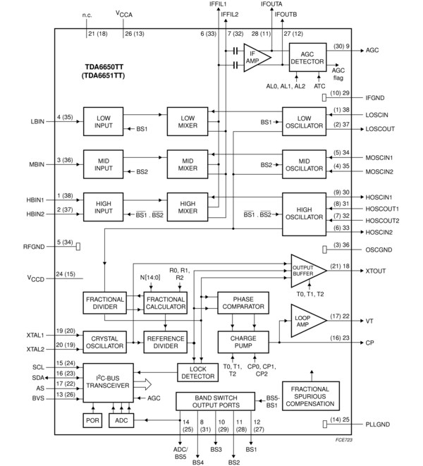
面向混合(数字和模拟)地面调谐器的5 V混频器/振荡器和低噪声PLL合成器

  • 本页面包含有关样品阶段产品的信息。此处的规格和信息如有更改,恕不另行通知。如需了解其他信息,请联系支持人员或您的销售代表。

滚动图片以放大

购买/参数










































































































文档

快速参考恩智浦 文档类别

3 文件

紧凑列表

设计文件

支持

您需要什么帮助?