设计文件
收到完整的详细信息。 请参阅产品足迹及更多信息 电子CAD文件.
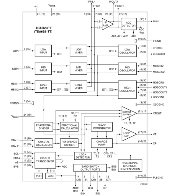
TDA6650TT; TDA6651TT是一款可编程的3频段混频器/振荡器和低相位噪声PLL合成器,适用于纯粹3频段调谐器理念,应用于混合(数字和模拟)或纯数字地面和有线电视接收。
该器件包括三个用于低频、中频和高频的双平衡混频器、三个相应频段的振荡器、一个可切换的IF放大器、一个宽带AGC检波器和一个低噪声PLL合成器。混频器输出和IF放大器输入之间有两个引脚,可用来启用IF滤波,以改善信号处理能力并改善相邻通道抑制。
IF放大器是可切换的,以便驱动对称和非对称输出。当它用作非对称放大器时,IFOUTB引脚需要连接到VCCA电源电压。
IC上包含五个开漏PMOS端口。其中两个BS1和BS2也专用于选择低频、中频和高频。PMOS端口BS5引脚与ADC共享。
AGC检测器提供可用于调谐器的控制,以设置RF级的增益。软件可以提供六个AGC接管点。两个可编程的AGC时间常数可用于搜索调谐和调谐器正常操作。
本地振荡器信号被馈送到小数N分频器。分频频率与比较频率进入驱动电荷泵的快速鉴相器进行比较。环路放大器也是片上的,包括可直接驱动33 V调谐电压的高压晶体管,而无需添加外部晶体管。
比较频率来自片上晶体振荡器。晶振频率可以输出到XTOUT引脚来驱动数字解调IC的时钟输入。
控制数据通过I²C总线来输入;需要六个串行字节来寻址器件,选择本地振荡器(LO)频率,选择步进频率,编程输出端口并设置电荷泵电流或选择ALBC模式,启用或禁用晶体输出缓冲器,选择AGC接管点和时间常数和/或选择特定的测试模式。在读取操作期间,可以在SDA线路上读取有关AGC电平检测器和ADC电压的状态字节。在读取操作期间,可读取循环“锁定”标志,加电复位标志和自动循环带宽控制标志。
该器件有4个可编程地址。每个地址都可以通过向AS引脚施加特定电压来选择,以便在同一系统中使用多个器件。
除功能描述中介绍的时序外,I²C总线不仅兼容快速模式,还与5 V、3.3 V和2.5 V微控制器相兼容,具体取决于施加于BVS引脚的电压。
|
|
|
|
|
|
|
|---|---|---|---|---|---|
|
|
|
|
|
|
|
|
|
|
|
|
|
|
|
|
|
|
|
|
|
|
|
|
|
|
|
|
|
|
|
|
|
|
|
|
|
|
|
|
|
|
|
|
|
|
|
|
|
|
|
|
|
|
|
|
|
|
|
|
|
|
|
|
|
|
|
|
|
|
快速参考恩智浦 文档类别
3 文件
紧凑列表
安全文件正在加载,请稍等