包装信息 (1)
应用笔记 (2)
-
UART to Bluetooth interfacing[AN10307]
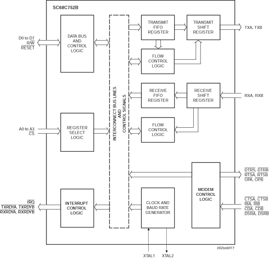
SC68C752B是一款两路通用异步接收器/发送器(UART),带有64字节FIFO、自动硬件/软件流控制以及最大5 Mbit/s的数据速率。SC68C752B提供增强的功能。它具备传输控制寄存器(TCR),能储存硬件和软件流控制过程中用于开始/停止传输的接收器FIFO阈值电平。通过FIFO Rdy寄存器,软件能在一次访问中获取所有四个端口的TXRDYn/RXRDYn状态。片上状态寄存器为用户提供错误指示、操作状态和调制解调器接口控制。可定制系统中断以满足用户需求。内部环回能力允许进行板载诊断。
UART通过TXn信号线发射数据(经由外围8位总线上发送)并通过RXn信号线接收字符。可将字符编程为5位、6位、7位或8位。UART具有64字节接收FIFO和发送FIFO并可编程不同的中断触发电平。UART基于可编程除数及其输入时钟生成自己想要的波特率。可发送偶、奇或无奇偶校验以及1、1.5或2停止位。接收器可检测到中断、闲置、成帧错误、FIFO溢出和奇偶校验错误。发送器可检测到FIFO下溢。UART还包含用于调制解调器控制操作的软件接口,且具备软件流控制和硬件流控制能力。
SC68C752B提供LQFP48和HVQFN32封装。
|
|
|
|
|
|
|
|---|---|---|---|---|---|
|
|
|
|
|
|
|
|
|
|
|
|
|
|
|
|
|
|
|
|
|
|
|
|
|
|
|
|
|
|
|
|
|
|
|
|
|
|
|
|
|
|
|
|
|
|
|
|
|
|
|
|
|
|
|
|
|
|
|
|
|
|
|
|
|
|
|
|
|
|
快速参考恩智浦 文档类别
4 文件
紧凑列表
安全文件正在加载,请稍等