封装信息 (1)
数据手册 (1)
-
2 x 6 W stereo power amplifier[TDA1517]
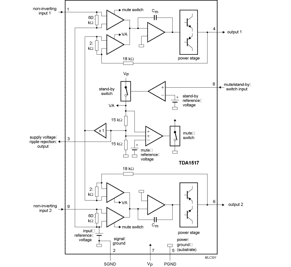
TDA1517是采用塑料单列直插中等功率封装与散热片(SIL9MPF)、塑料矩形弯曲单列直插中等功率封装与散热片(RBS9MPF)或塑料散热双列直插封装(HDIP18)的集成式B类双输出放大器。该器件主要开发用于多媒体应用。
|
|
|
|
|
|
|
|---|---|---|---|---|---|
|
|
|
|
|
|
|
|
|
|
|
|
|
|
|
|
|
|
|
|
|
|
|
|
|
|
|
|
|
|
|
|
|
|
|
|
|
|
|
|
|
|
|
|
|
|
|
|
|
|
|
|
|
|
|
|
|
|
|
|
|
|
|
|
|
|
|
|
|
|
快速参考恩智浦 文档类别
2 文件
紧凑列表
安全文件正在加载,请稍等