封装信息 (1)
数据手册 (1)
-
2 x 6 W stereo car radio power amplifier[TDA1519_CNV]
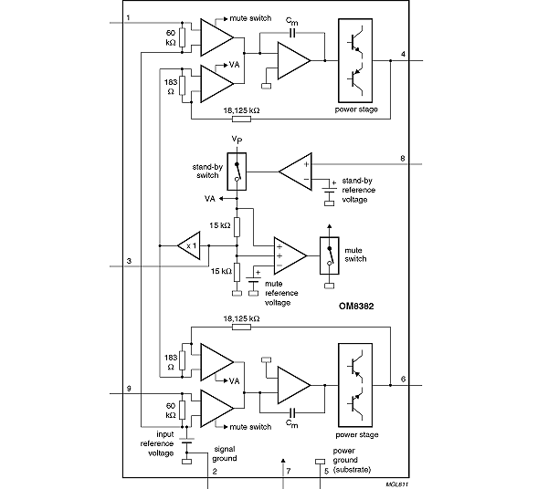
TDA1519是采用9引脚单列直插式(SIL)中等功率塑料封装的集成式B类双输出放大器。该器件主要开发用于汽车收音机应用。
|
|
|
|
|
|
|
|---|---|---|---|---|---|
|
|
|
|
|
|
|
|
|
|
|
|
|
|
|
|
|
|
|
|
|
|
|
|
|
|
|
|
|
|
|
|
|
|
|
|
|
|
|
|
|
|
|
|
|
|
|
|
|
|
|
|
|
|
|
|
|
|
|
|
|
|
|
|
|
|
|
|
|
|
快速参考恩智浦 文档类别
2 文件
紧凑列表
安全文件正在加载,请稍等