13位GTL-/GTL/GTL+至LVTTL变换器

  • 本页面包含有关样品阶段产品的信息。此处的规格和信息如有更改,恕不另行通知。如需了解其他信息,请联系支持人员或您的销售代表。

查看产品图片

产品详情

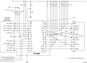
框图

Block diagram: GTL2006PW

 GTL2006PW Block Diagram

特征

  • 用作GTL-/GTL/GTL+至LVTTL采样接收器或LVTTL至GTL-/GTL/GTL+驱动器
  • 3.0 V至3.6 V操作
  • LVTTL I/O无5 V耐受
  • LVTTL输出上串联30 Ω的终端电阻
  • ESD保护:按JESD22-A114超过2000 V HBM,按JESD22-A115超过200 V MM,按JESD22-C101超过250 V CDM
  • 已按照JEDEC标准JESD78完成闭锁测试,超过500 mA
  • 提供封装:TSSOP28

购买/参数










































































































文档

快速参考恩智浦 文档类别

5 文件

紧凑列表

包装信息 (1)
培训资料 (1)
封装信息 (1)
应用笔记 (1)
  • AN10216[AN10216]
数据手册 (1)

设计资源

设计文件

快速参考恩智浦 设计文件类型.

2 设计文件

支持

您需要什么帮助?