紧凑列表
该11位总线开关专为1.7 V至1.9 V VDD操作和SSTL_18选择输入电平而设计。
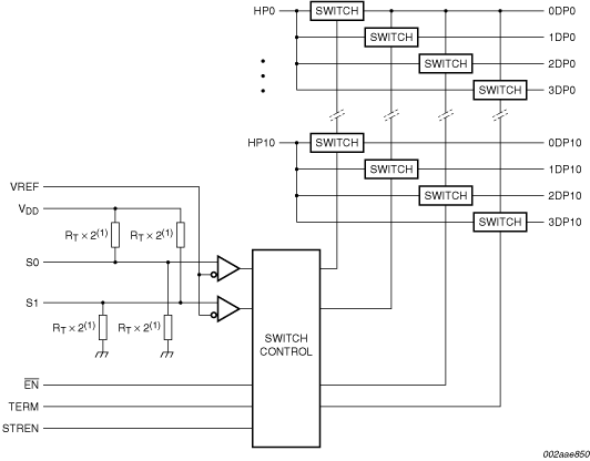
每个主机端口针脚(HPn)多路复用到四个DIMM端口针脚(xDPn)之一。选择要连接到主机端口的DIMM端口由三个硬件选择针脚S0、S1和EN驱动的解码器控制。将针脚EN驱动为高电平可将所有DIMM端口从各自的主机端口断开。EN驱动为低电平时,针脚S0和S1可选择要连接到各自主机端口的四个DIMM端口的其中之一。断开时,任何DIMM端口由通常为400Ω的片上下拉电阻端接到外部提供的电压Vbias。通态通过12Ω标称串联电阻将主机端口连接到DIMM端口。该设计旨在实现在任何时候都只有一个DIMM端口处于活动状态。
CBTU4411也可以配置为支持通道10 (TRUE)和通道9(互补选通)上的差分选通信号。当其LVCMOS配置输入选通使能(STREN)为高电平时,通道10在DIMM端口处于闲置状态时由电阻分压器内部上拉至VDD的3/4。CBTU4411处于禁用(选通模式下EN = 高电平)状态时,通过将通道10拉至VDD可禁用通道10上的下拉以便节电。选通使能(STREN)为低电平时,通道10的特性与所有其他通道相同。
选择输入(S0,S1)是伪差分型SSTL_18。应向输入针脚VREF提供0.5VDD的标称参考电压。该拓扑通过减少对选择信号压摆率的依赖而实现对开关时间的精确控制。提供的S0和S1具有0.5VDD的可选输入终端(LVCMOS输入TERM为高电平时有效)。CBTU4411处于禁用(EN = 高电平)状态时,S0和S1输入都会被拉至低电平。
该器件集成了极低的串扰设计。其在输出之间具有极低的偏移(< 30 ps),而在上升沿和下降沿之间则具有低偏移(< 30 ps)。该器件在DDR2数据总线应用中具有最佳性能。
每个开关已经针对连接到1或2级DIMM进行优化。
开关的低内部RC时间常数允许在进行数据传输时具有最小的传播延迟。
CBTU4411的特点是工作温度范围为0 °C至+85 °C。

快速参考恩智浦 文档类别
2 文件
紧凑列表
安全文件正在加载,请稍等