包装信息 (2)
应用笔记 (2)
-
UART to Bluetooth interfacing[AN10307]
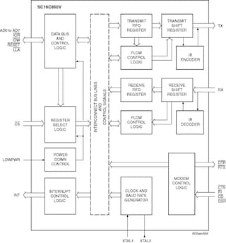
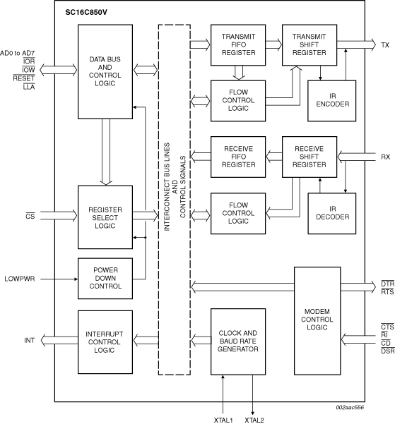
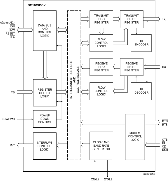
SC16C850V是一款1.8 V、低功率单通道通用异步接收器和发送器(UART),用于串行数据通信。其主要功能是将并行数据转换成串行数据或将串行数据转换成并行数据。UART可处理最高5 Mbit/s的串行数据速率。SC16C850V可编程以工作在提供额外高级UART功能的扩展模式中(请参阅第6.2节)。SC16C850V系列UART提供增强的UART功能,带有128字节FIFO、调制解调器控制接口以及红外编码器/解码器。板载状态寄存器为用户提供误差指示和操作状态。可通过软件定制系统中断和调制解调器控制功能以满足特定的用户需求。内部环回能力允许进行板载诊断。提供独立的可编程波特率生成器以选择发送和接收波特率。
SC16C850V带有工作在1.8 V条件下的Intel XScale处理器VLIO接口并提供HVQFN32封装。
|
|
|
|
|
|
|
|---|---|---|---|---|---|
|
|
|
|
|
|
|
|
|
|
|
|
|
|
|
|
|
|
|
|
|
|
|
|
|
|
|
|
|
|
|
|
|
|
|
|
|
|
|
|
|
|
|
|
|
|
|
|
|
|
|
|
|
|
|
|
|
|
|
|
|
|
|
|
|
|
|
|
|
|
快速参考恩智浦 文档类别
5 文件
紧凑列表
安全文件正在加载,请稍等