封装信息 (1)
应用笔记 (1)
-
A metastability primer[AN219]
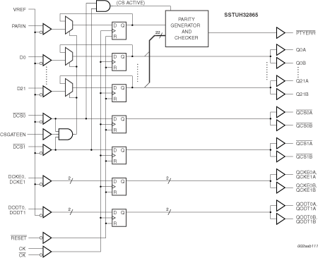
SSTUH32865是专门设计用于二级乘以四(2R x 4)和类似高密度双数据速率2 (DDR2)内存模块的1.8 V 28位高输出驱动1:2寄存器。其在功能上与JEDEC标准14位DDR2寄存器类似,但在单个封装中集成了通常所需的两个寄存器的功能,从而释放了电路板空间并方便布线,以满足高密度双列直插内存模块(DIMM)设计的要求。
SSTUH32865还集成了奇偶校验功能,其接受来自存储控制器的奇偶校验位,将其与D输入上接收到的数据进行比较,并指明其开漏PTYERR针脚(低电平有效)上是否发生奇偶校验错误。
SSTUH32865采用的是160引脚、12×18栅格、0.65 mm引脚间距的超薄细间距球栅阵列(TFBGA)封装,其只需最少的9 mm x 13 mm电路板空间,因此能使用传统卡技术实现适当的信号路由和逸出。
SSTUH32865在功能和性能上等同于SSTU32865,其更高驱动输出经优化后可在驱动高负载网(比如:堆栈式DRAM)的同时保持速度和信号完整性。
|
|
|
|
|
|
|
|---|---|---|---|---|---|
|
|
|
|
|
|
|
|
|
|
|
|
|
|
|
|
|
|
|
|
|
|
|
|
|
|
|
|
|
|
|
|
|
|
|
|
|
|
|
|
|
|
|
|
|
|
|
|
|
|
|
|
|
|
|
|
|
|
|
|
|
|
|
|
|
|
|
|
|
|
快速参考恩智浦 文档类别
3 文件
紧凑列表
安全文件正在加载,请稍等