封装信息 (1)
应用笔记 (1)
-
A metastability primer[AN219]
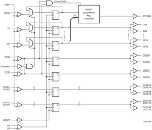
SSTU32865是1.8 V的28位1:2寄存器,专门设计用于2级乘以4(2R x 4)和类似的高密度双数据速率2 (DDR2)内存模块。其在功能上与JEDEC标准14位DDR2寄存器类似,但在单个封装中集成了通常所需的两个寄存器的功能,从而释放了电路板空间并方便布线,以满足高密度双列直插内存模块(DIMM)设计的要求。
SSTU32865还集成了奇偶校验功能,其接受来自存储控制器的奇偶校验位,将其与D输入上接收到的数据进行比较,并指明其开漏PTYERR针脚(低电平有效)上是否发生奇偶校验错误。
SSTU32865采用160焊球、12 x 18栅、0.65 mm焊球间距、薄型细间距球栅阵列(TFBGA)封装,同时需要至少9 mm x 13 mm的电路板空间,允许使用传统卡技术实现足够的信号路由和出口。
|
|
|
|
|
|
|
|---|---|---|---|---|---|
|
|
|
|
|
|
|
|
|
|
|
|
|
|
|
|
|
|
|
|
|
|
|
|
|
|
|
|
|
|
|
|
|
|
|
|
|
|
|
|
|
|
|
|
|
|
|
|
|
|
|
|
|
|
|
|
|
|
|
|
|
|
|
|
|
|
|
|
|
|
快速参考恩智浦 文档类别
3 文件
紧凑列表
安全文件正在加载,请稍等