封装信息 (1)
应用笔记 (1)
-
A metastability primer[AN219]
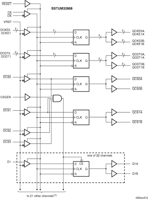
SSTUM32868是1.8 V的28位1:2寄存器,专门设计用于2级乘以4 (2R x 4)和类似的高密度双数据速率2 (DDR2)内存模块。其在功能上与JEDEC标准14位DDR2寄存器类似,但在单个封装中集成了通常所需的两个寄存器的功能,从而释放了电路板空间并方便布线,以满足高密度双列直插内存模块(DIMM)设计的要求。
SSTUM32868还集成了奇偶校验功能,接受来自存储控制器的奇偶校验位,将其与D输入上接收到的数据进行比较,并指明其开漏QERR引脚(低电平有效)上是否发生奇偶校验错误。
其还提供胜过JEDEC标准寄存器的附加特性,因为其针对高输出驱动强度得到永久配置。因此在密度高于正常净负载条件的高密度设计中得到使用。此外,SSTUM32868还具有两个额外的芯片选择输入,可实现高密度内存模块中更灵活的使能和禁用。这两个新增特性(驱动强度和芯片选择)都与JEDEC标准寄存器完全向后兼容。最后,SSTUM32868针对SSTU系列寄存器中的最快传播延迟进行了优化。
SSTUM32868采用176焊球、8 x 22栅格、0.65 mm焊球间距、薄型细间距球栅阵列(TFBGA)封装,该封装至少需要6 mm x 15 mm的电路板空间,支持使用传统卡技术实现足够的信号路由和逸出。
|
|
|
|
|
|
|
|---|---|---|---|---|---|
|
|
|
|
|
|
|
|
|
|
|
|
|
|
|
|
|
|
|
|
|
|
|
|
|
|
|
|
|
|
|
|
|
|
|
|
|
|
|
|
|
|
|
|
|
|
|
|
|
|
|
|
|
|
|
|
|
|
|
|
|
|
|
|
|
|
|
|
|
|
快速参考恩智浦 文档类别
3 文件
紧凑列表
安全文件正在加载,请稍等