封装信息 (1)
应用笔记 (1)
-
A metastability primer[AN219]
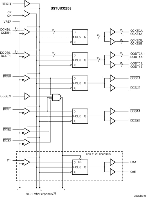
SSTUB32868是专门设计用于二级乘以四(2R × 4)和类似高密度双数据速率2 (DDR2)内存模块的1.8 V 28位1 : 2寄存器。其在功能上与JEDEC标准14位DDR2寄存器类似,但在单个封装中集成了通常所需的两个寄存器的功能,从而释放了电路板空间并方便布线,以满足高密度双列直插内存模块(DIMM)设计的要求。
SSTUB32868还集成了奇偶校验功能,其接受来自存储控制器的奇偶校验位,将其与D输入上接收到的数据进行比较,并指明其开漏PTYERR引脚(低电平有效)上是否发生奇偶校验错误。
其还提供胜过JEDEC标准寄存器的附加特性,因为其可针对正常或高输出驱动强度进行配置,只需在需要时将输入针脚SELDR连接到高电平或低电平即可。通过选择与净负载条件匹配的适当驱动强度,可实现在从低密度设计到高密度设计等不同模块设计中的使用。此外,SSTUB32868具有两个额外的芯片选择输入,可实现高密度内存模块中更灵活的使能和禁用。这两个新增特性(驱动强度和芯片选择)都与JEDEC标准寄存器完全向后兼容。
SSTUB32868采用的是176焊球、8 × 22栅格、0.65 mm焊球间距的超薄细间距球栅阵列(TFBGA)封装,其(只需最少的6 mm × 15 mm电路板空间)能使用传统卡技术实现适当的信号路由和逸出。
|
|
|
|
|
|
|
|---|---|---|---|---|---|
|
|
|
|
|
|
|
|
|
|
|
|
|
|
|
|
|
|
|
|
|
|
|
|
|
|
|
|
|
|
|
|
|
|
|
|
|
|
|
|
|
|
|
|
|
|
|
|
|
|
|
|
|
|
|
|
|
|
|
|
|
|
|
|
|
|
|
|
|
|
快速参考恩智浦 文档类别
3 文件
紧凑列表
安全文件正在加载,请稍等