设计文件
收到完整的详细信息。 请参阅产品足迹及更多信息 电子CAD文件.
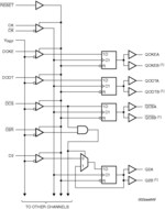
SSTU32866是1.8 V的可配置寄存器,专门设计用于需要奇偶校验功能的DDR2内存模块。根据JEDEC JESD82-7标准为SSTU32864寄存缓冲器定义此器件,同时在兼容的引脚输出上添加奇偶校验功能。SSTU32866的JEDEC标准即将发布。该寄存器可配置(使用配置引脚C0和C1)为两种拓扑结构:25位1:1或14位1: 2,采用后一种配置可指定为DIMM上的寄存器A或寄存器B。
SSTU32866接受来自其奇偶校验位(PAR_IN)输入上存储控制器的奇偶校验位,将其与DIMM独立D输入上接收到的数据进行比较,并指明其开漏QERR针脚(低电平有效)上是否发生奇偶校验错误。通常情况下是偶校验,也就是说,有效的奇偶校验定义为通过DIMM独立数据输入的某个偶数与奇偶校验输入位的结合。
SSTU32866采用96焊球、6×16栅、0.8 mm焊球间距的LFBGA封装(13.5 mm × 5.5 mm)。
|
|
|
|
|
|
|
|---|---|---|---|---|---|
|
|
|
|
|
|
|
|
|
|
|
|
|
|
|
|
|
|
|
|
|
|
|
|
|
|
|
|
|
|
|
|
|
|
|
|
|
|
|
|
|
|
|
|
|
|
|
|
|
|
|
|
|
|
|
|
|
|
|
|
|
|
|
|
|
|
|
|
|
|
快速参考恩智浦 文档类别
2 文件
紧凑列表
安全文件正在加载,请稍等