H桥栅极驱动器集成电路

  • 本页面包含有关样品阶段产品的信息。此处的规格和信息如有更改,恕不另行通知。如需了解其他信息,请联系支持人员或您的销售代表。

产品详情

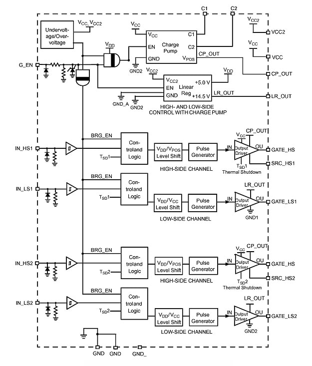
框图

H桥栅极驱动器集成电路

NXP<sup>&#174;</sup> MC33883 Internal Block Diagram

特性

主要特性

  • VCC工作电压范围为5.5V至55V
  • VCC2工作电压范围为5.5V至28V
  • CMOS/LSTTL兼容I/O
  • 1 A峰值栅极驱动器电流
  • 内置高边电荷泵
  • 欠压锁定(UVLO)
  • 过压锁定(OVLO)
  • 低于10μA的睡眠模式,可全局启用
  • 支持最高100khz的脉宽调制(PWM)频率
  • 并行接口和输入控制
  • 4通道
  • 负载电流(IL)1A(典型值)
  • 漏源导通电阻:1000mOhm RDS(ON)(典型值)

购买/参数










































































































文档

快速参考恩智浦 文档类别

5 文件

紧凑列表

应用笔记 (2)
数据手册 (1)
选型指南 (2)

设计文件