

LIN总线系统是一种低成本的单线制方案,因此在车身领域得到越来越多的应用并不令人感到惊讶。典型的LIN应用(如座椅控制、照明和方向盘)正在催生更多对更小材料开销和更低系统成本的需求。恩智浦最新的智能QUAD LIN收发器SJA1124为汽车电子控制单元(ECU)提供了一种将LIN总线连接到MCU的创新方法,以满足上述需求。
随着LIN总线的广泛使用,每个应用的LIN通道数量也在增加。与LIN节点的数量增加不同的是,这些应用的空间和物料清单通常会缩减以节省成本。恩智浦SJA1124 QUAD LIN收发器,具有集成的指令终端、LIN控制器和SPI转LIN网桥。这些功能为应用网络和MCU选项提供可扩展性和灵活性,带来多种优势。
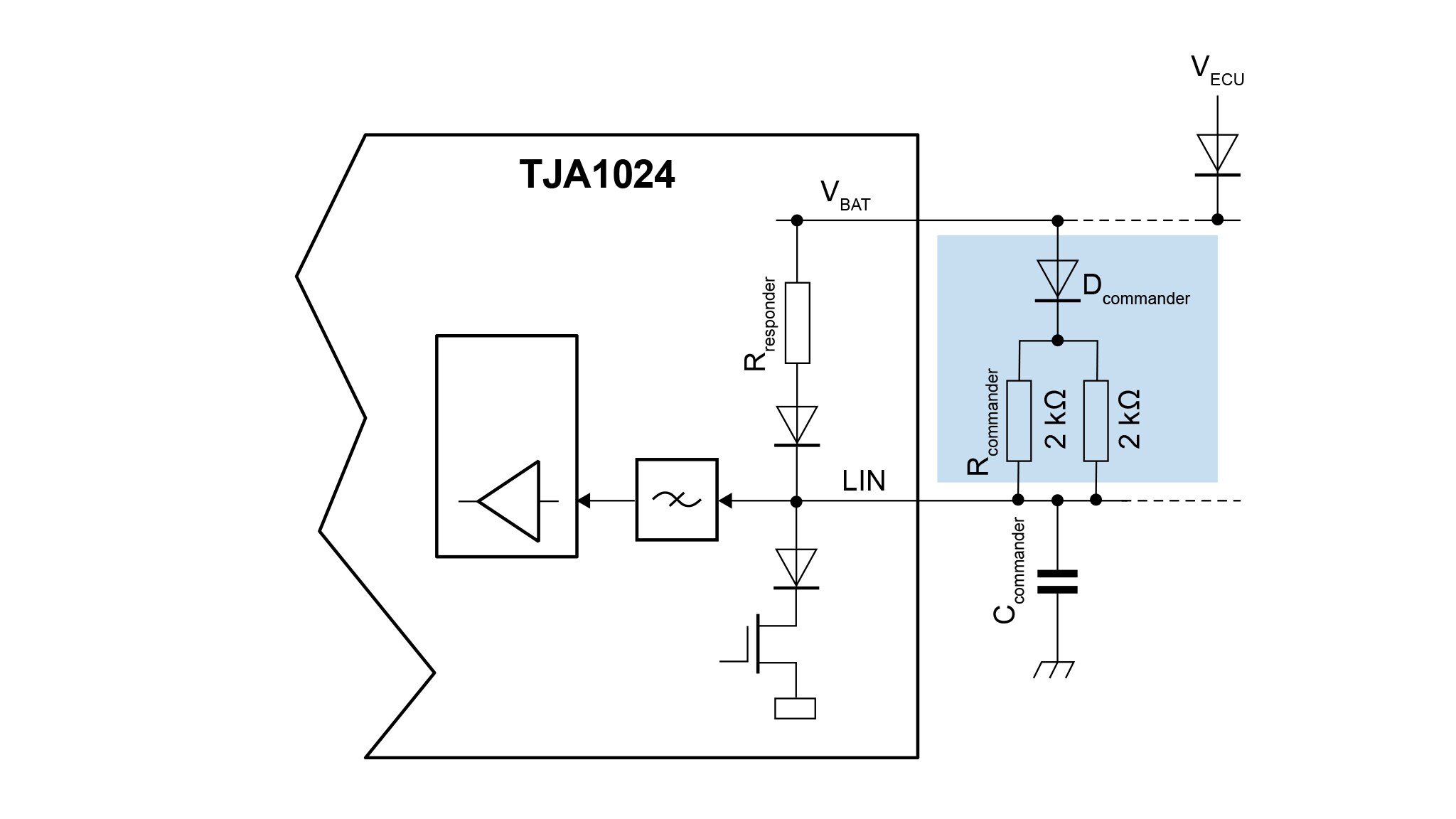
传统的LIN指令终端由附加的分立组件构成,例如一个或两个上拉电阻和一个二极管。也就是说,一个四通道LIN指令应用最多需要八个上拉电阻和四个二极管,将占用大量的板上空间。
图1为传统的LIN指令终端布局。为了减轻客户负担,恩智浦的T/SJA1124集成了LIN指令终止功能,并集成了高边开关来防止LIN接地短路。图2显示了恩智浦的T/SJA1124如何作为LIN指令工作,并由于内置指令的终止而保存物料清单。
需要的IO引脚较少:每个LIN通道至少需要两个引脚:TXD(传输引脚)和RXD(接收引脚)。此外,可能需要一个或多个模式控制引脚,以将LIN收发器模式从低功耗模式切换到正常模式,反之亦然。因此,对于具有多个LIN通道的应用,所需引脚的数量至少会增加2倍。对于八通道LIN应用,需要超过16个引脚。如果MCU引脚数已经很关键,则多LIN通道所需的大量引脚可能会迫使选择具有更多引脚且更昂贵的MCU版本(如有),但并非总是如此。这导致BOM以及系统成本显著增加。
内置LIN控制器:作为片上外设的一部分,内置LIN协议控制器的可用数量通常取决于MCU系列的性能等级。也就是说,性能等级越低,MCU内集成的LIN控制器就越少。在多数LIN应用(如座椅开关、窗户和车顶控制)中,MCU通常是低端的,引脚数和LIN控制器有限。
如果LIN协议控制器可以移入LIN收发器怎么办?将LIN协议控制器集成到LIN收发器设备中,可以消除MCU和LIN收发器之间的TXD和RXD信号。相反,可以使用外设的标准MCU接口,例如SPI。像恩智浦的SJA1124一样,这种LIN设备一侧具有SPI,而另一侧具有LIN总线接口,被称为“SPI转LIN网桥”。
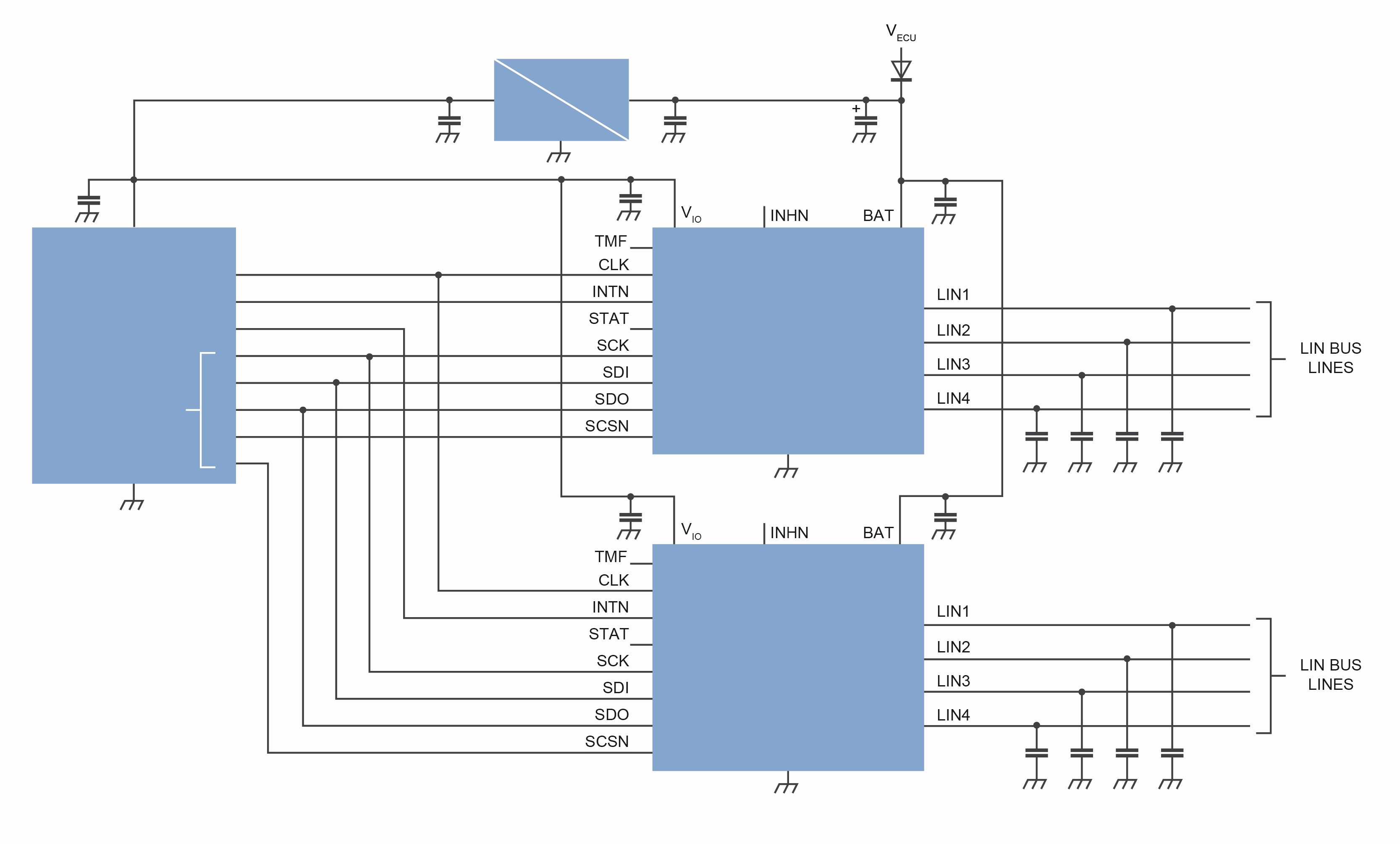
通过恩智浦SJA1124的集成LIN协议控制器和SPI转LIN网桥,客户可以随意使用任意数量的LIN通道,并选择任何连接的MCU。下图3举例说明在多个SJA1124应用中如何使用SPI转LIN网桥。
了解完整的概述,请下载SJA1124白皮书。
LIN数据通信通过SPI实现,恩智浦SJA1124将SPI输入收到的传输数据流转换成LIN总线上的LIN命令帧。LIN总线上的数据流可以通过SPI读取。完整的LIN帧可以在一个SPI操作中传输。如图3中的示例所示,8个LIN通道可以使用两个SJA1124来构建。在这种配置下,SPI通信只需要5个MCU引脚(时钟、数据输入、数据输出、芯片选择1和芯片选择2),而传统LIN设备则需要超过16个引脚。
将SPI转LIN网桥作为多个LIN通道的MCU接口可以将重点放在SPI性能上,因为它可能会成为LIN数据流的挑战。换句话说,SPI运行时可能是限制数据吞吐量的因素。但是,SPI运行时取决于特定硬件(MCU和SPI转LIN网桥)和软件实现(SPI处理程序/驱动程序)。通过MCU的SPI接口和软件实现,可以更好地管理这种挑战。
综上所述,恩智浦SJA1124为任何MCU处理大量LIN指令通道提供了很好的解决方案。它提供了更灵活、更可扩展的可节省成本和空间的解决方案。
Rainer Evers是一名系统工程师,拥有20多年的半导体行业从业经验。在职业生涯中,他曾效力于恩智浦半导体和其前身飞利浦半导体,主要致力于研究汽车CAN、LIN和以太网收发器。担任职务期间,他负责定义收发器产品,并作为专家代表恩智浦在ISO和SAE参与LIN标准化。
Weibo Qiu是恩智浦的产品市场经理,负责LIN产品组合及市场营销工作。在担任LIN的营销职务之前,Weibo还花了一年在汽车雷达研发小组工作,专门研究雷达传播模拟。Weibo拥有埃因霍温理工大学(TU Eindhoven)和柏林工大(TU Berlin)的嵌入式系统硕士学位。

2023年2月1日

2022年12月16日

2022年12月1日