封装信息 (1)
数据手册 (1)
-
Multiple voltage regulators with switch[TDA3608Q_TH]
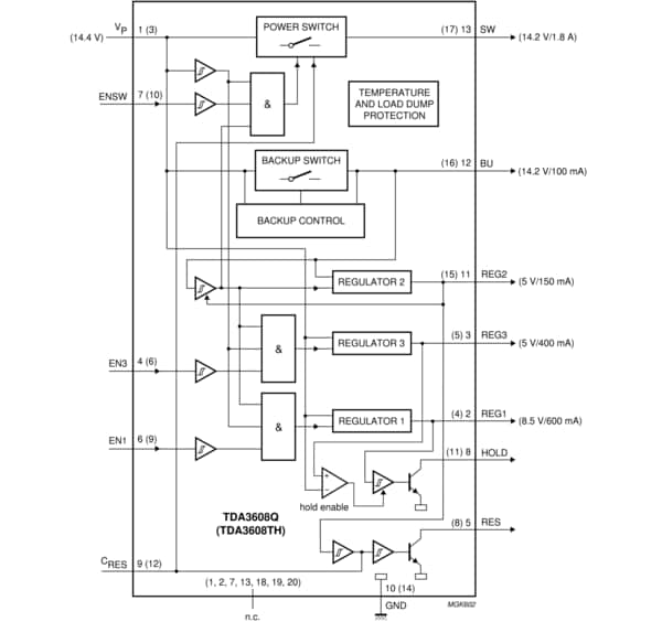
TDA3608是一款带电源开关的多路输出稳压器,适用于带或不带微控制器的汽车收音机。它包含:
|
|
|
|
|
|
|
|---|---|---|---|---|---|
|
|
|
|
|
|
|
|
|
|
|
|
|
|
|
|
|
|
|
|
|
|
|
|
|
|
|
|
|
|
|
|
|
|
|
|
|
|
|
|
|
|
|
|
|
|
|
|
|
|
|
|
|
|
|
|
|
|
|
|
|
|
|
|
|
|
|
|
|
|
快速参考恩智浦 文档类别
2 文件
紧凑列表
安全文件正在加载,请稍等